UC3844是高性能固定频率电流模式控制器专为离线和直流至直流变换器应用而设计,为设计人员提供只需最少外部元件就能获得成本效益高的解决方案。它有一个单图腾柱输出级,是专门设计用来直接驱动功率MOSFET,在1.0nf负载时,它能提供达正负1.0A的峰值驱动电流和典型值为50ns的上升、下降时间。可用于设计大功率高频开关电源功率开关驱动电源。以下是用UC3844设计了一种大功率高频开关电源功率开关(例如IGBT)驱动电源,其主要技术指标为:5路输出(各路均为20V/0.5A);输出电压纹波±0.5% ;工作频率为40kHz;输入交流电压范围(1±10%)220V。
主电路
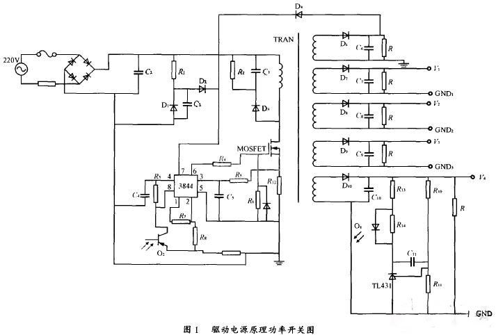
图1是所设计电源的原理图,主电路采用单端反激式变换电路,220 V交流输入电压经桥式整流、电容滤波变为直流后,供给单端反激式变换电路,并通过电阻R1、C2为UC3844提供初始工作电压。为提高电源的开关频率,采用功率MOSFET作为功率开关管,在UC3844的控制下,将能量传递到输出侧。在高频变压器原边设置了RCD缓冲电路,可抑制电压尖峰。

UC3844外围电路设计
UC3844内部主要由5.0V基准电压源、振荡器(用来精确地控制占空比调节)、降压器、电流测定比较器、PWM锁存器、高增益E/A误差放大器和适用于驱动功率MOSFET的大电流推挽输出电路等构成。UC3844的典型外围电路如图2所示,图中脚7是其电源端,芯片工作的开启电压为16V,欠压锁定电压为10V,上限为34V,这里设定20V给它供电,用稳压二极管稳压,同时并联电解电容滤波,其值为10uF。开始时由原边主电路向其供电,电路正常工作以后由副边供电。原边主电路向其供电时需加限流电阻,考虑发热及散热条件,其值取为62kΩ/5W,为了防止输出电压不稳定时较高的电压直接灌人稳压二极管,导致其过压烧坏,在输出端给UC3844 供电的线路与稳压管相连接处串入一只二极管。
脚4接振荡电路,产生所需频率的锯齿波,工作频率为=1.8/CTRT,振荡电阻RT和电容CT的值分别为100kΩ、200pF。脚8是其内部基准电压 (5V),给光耦副边的三极管提供偏压。脚2及脚1为内部电压比较器的反相输入端和输出端,它们之间接一个15 kΩ的电阻构成比例调节器,这里采用比例调节而不用PI调节的目的是为了保证反馈回路的响应速度。脚6是输出端,经一个限流电阻(22Ω/0.25 w)限流后驱动功率MOSFET(IRF840),为保护功率MOSFET,在脚6并联一支15V的稳压二极管。
电流反馈电路设计
UC3844采用的是峰值电流控制模式,脚3是电流比较器同相输入端,接电流取样信号输入,即电流内环,由R3,Rf以及脚3组成。如图2所示,从脚3引入的电流反馈信号与脚1的电压误差信号比较,产生一个PWM(脉宽调制)波,由于电流比较器输入端设置了1V的电流阈值,当电流过大而使电阻R3上的电压超过1 V(即脚3电平大于1V)时,将关断PWM脉冲,反之,则保持此脉冲。由于电阻R3检测出的是峰值电流,因此它可以精确地限制最大输出电流,被检测的峰值电流为imax=1/R3。这里上端采样电阻Rf取为1kΩ),下端电流检测电阻R3,取为0.55Ω。滤波电容取为470pF/1.2V的电解电容。
电压反馈电路设计
采用三端可控基准源TL431反馈误差电压,并将误差电压放大,驱动线性光耦PC817的原边发光二极管,而处在电源高压端的光耦副边三极管得到反馈电压,输入到UC3844的内部误差放大器(脚1和脚2),进而调整开关管的开通、关断时间。TL431的参考端(REF)和阳极(ANODE)间是稳定的2.5V基准电压,它将取样电阻上的电压稳在2.5V。当输出电压增大,经R10,R11分压后得到的取样电压(即R-A间的电压)大于2.5V时,流过TL431的电流增大,其阴极电压下降,光耦原边二极管发光,传递到副边三极管,进而使得开关管的导通时间减少,从而降低输出电压。
本文设计的单端反激式开关电源,具有体积小、重量轻、输出电压纹波小等优点,且稳定性好,轻载和满载均能可靠运行,电网电压浮动时,电源也能正常工作,因此,作为IGBT的驱动电源,达到了满意的效果。另外,过程中遇到了以下两个问题,希望能为以后设计反激式电源的同行提供一些帮助:
1)3844的脚1和脚2接的电压反馈电路的逻辑及各个元器件的参数需要仔细推敲。
2)TL431的R-C间未接电容时,其上电压有很多尖峰毛刺,导致TL431不能正常工作,所以必须接这个电容。