耳机放大器,简称耳放,它用来驱动大阻抗耳机的一种设备,完美解决了使用头戴式耳机,尤其是小型耳机听音乐,总感到音乐味不够足,在低频段的效果更差等问题。本篇文章将介绍一款耳机放大器电路。

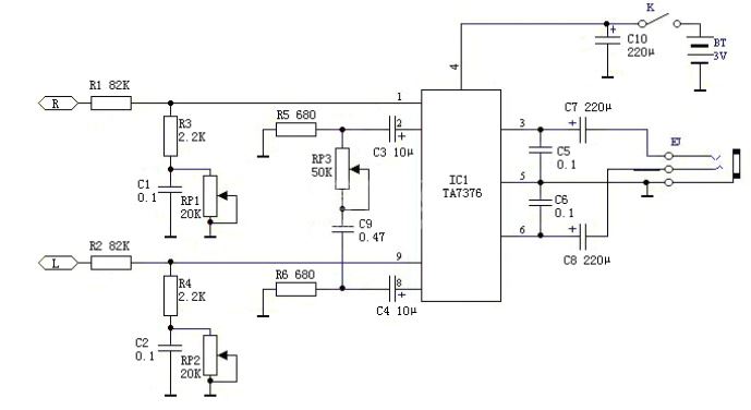
电路工作原理:由电阻电容组成的低频增强电路。利用功率放大器IC的反馈输入,组成立体声反相合成电路。利用功率放大器IC组成头戴耳机的驱动电路。从输入端IC之间的电阻电容起到增强低频特性的作用,因为加有电位器,低频部分的增强量可在0--10倍之间连续可调。立体声反相合成电路IC2脚和8脚的直流耦合电容之后,由0.47 F和50K的电位器组成。在此电路中,把立体声的广场效果成分中的高音部分左右分别反相后合成,起到增强效果的作用。用东芝TA7376P推动头戴式耳机。这种IC内藏两个通道,外接元件少,可在低电压下工作。负载阻抗较低时,可重放出动人效果的低频声音。电源若改用5#电池,用四只串联,电压为6V,可直接驱动高输出的扬声器。若将三个200?F/10V的电容增加到1000?F左右,可获得更好的效果。元器件的选择所有元件没有什么特殊的。0.1 F和0.47 F的电容用独石电容,其它的用电解电容。电位器中,20K为双连电位器,50K用带开关电位器。电阻无特殊要求,选用普通1/8或1/4W金属膜电阻器。插头用立体声插头。
本文介绍了耳机放大器的电路原理,耳机放大器能获得强劲的低音和在较宽的范围内展宽音域。这种扣人心弦的力量,不亚于实况立体声。