相信很多小伙伴回到家之后就会看电视,是不是很喜欢看电视呢,电视让我们生活更加丰富和精彩,给我们带来很多欢乐,那么你知道电视机电路图吗?下面我们就说说tcl电视机电路图,希望对你有帮助。
TCL平板电视L50M2580A电源板原理图
TCL液晶电视机以其外观漂亮、质量稳定、图像清晰、售后服务完善等诸多原因,在国内市场占有量很大。电源在电视机中又是比较容易损坏的部分,熟悉并掌握对其维修、代换方法就比较重要。TCL液晶电视机采用的电源板主要的有以下几种: 型号:JSK3220-007A/C/D, 适用机型:LCD26B66/L/P,LCD32B66/L/P,LCD32A71/P等 输出电压:+9V,+12V,+24V 型号:PWL3711C/3726, 适用机型:LCD26B66/L/P,LCD32B66/L/P,LCD32A71/P等 输出电压: +12V,+24V 型号:ON37A,
TCL彩电AT25211电源电路图
1、TCL彩电AT25211电源电路图如下:

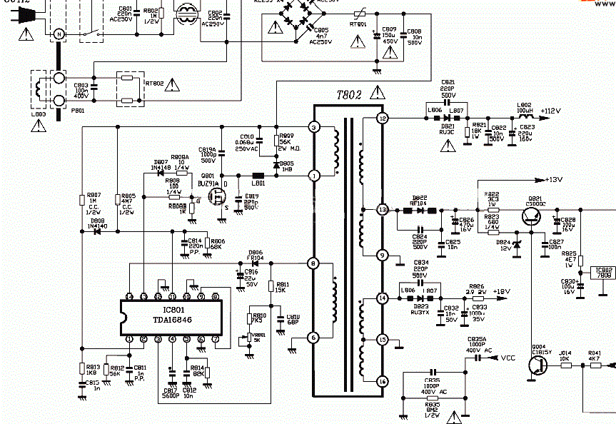
tcl电视机电路图
2、一般的电视机开关电源是由振荡电路、稳压电路、保护电路三大部分组成。
(1)振荡电路:开关电源振荡电路分为晶体管振荡电路和集成块振荡电路,如STR-S系列IC,TEA2104,TDA4601,TDA4605,TDA2261等等.
(2)稳压电路:开关电源的稳压原理均采用脉冲调宽式的稳压方式,即通过自动改变开关功率管的关闭和导通时间的比例,或通过改变振荡器输出脉冲的占空比来达到稳压的目的。稳压部分的电路由取样、比较、控制三个部分组成,很多机芯此部分电路是采用IC(如SE110等IC)和光耦件组合而成,而有些机芯则用分立元件组成(多为国产机),而有些机芯采用的电源IC本身就集成了这部分电路(如部分串联型开关电源IC)。
(3)保护电路:彩电开关电源都设有保护电路,其保护方式均是使电路停振。有过流保护、过压保护和欠压保护(短路保护),还有过热保护。
TCL电视机花屏的一般原因及处理方法:
1、如果电视机开机时正常 ,几分钟后变为花屏 ,变花屏后屏幕亮度变亮 ;一般可通过测量逻辑板上的GAMMA校正电压,常见的就是AS15-G故障,可以触摸AS15-G是否发烫;如果会烫手则判断为AS15-G故障;主要测量各个GAMMA电压是否异常,以判断具体哪一个GAMMA电压错误,更换新的AS15-G即可恢复正常;
2、如果是屏幕的色彩显示混乱导致的花屏,一般可判断为液晶屏本身的问题;因为液晶屏显示图像要有背光源和能够改变液晶体排列方向的电路,该电路分别控制着液晶RGB三种颜色像素小点,一旦出现故障就会导致却色或引起花屏;
3、一般TCL电视机花屏都是与电视机的硬件故障有关,包括屏幕故障、屏幕排线故障或者主板上的电路、电容故障,以及其他内部零部件故障都可能导致花屏;普通用户建议联系电视机的售后服务对电视机进行全面的检测和保修。

tcl电视机电路图
读完上面相信小伙伴都知道了tcl电视机电路图了,是不是觉得很复杂呢,相信小伙伴只要肯钻研就一定能够学会的,相信你将来也是一位非常优秀的科学家,上面还介绍了花屏的处理办法,希望对你有用。