音量调节电路是音频电路中常见的一个电路,有些音量调节利用电位器组成的机械式调节,还有一些是利用电子芯片来进行音量的调节。本篇文章将介绍一款触摸式音量调节电路。

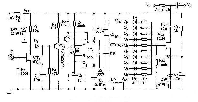
本触摸式音量调节器是由触摸式开关、可控时基脉冲产生器、计数电路和音量调节电路组成,分十档调节音量,其电路图如上图所示。VT1、VT2、VT3及阻容元件组成触摸开关。当手摸金属片T时,感应电压经VT1放大,D1、C1整流滤波,其直流电压使VT2导通,VT3截止,IC1(555)的复位端呈高电平,则由555和R7、R8、C2组成的多谐振荡器起振,输出振荡脉冲。
T=0.693(R7+2R6)C2
图示参数的周期约在3秒左右。555的输出脉冲作为IC2(CD4017)的计数时钟CP。CD4017是十进制计数器,脉冲分配器,在CP作用下,Q0~Q9依次呈现高电平脉冲,使场效应管VT4导通。电阻R1~R10的选择,应使其阻值从小到大排列,这样就可使R1~R10的分压在VT4的栅极产生的电压依次减小,则VT4的沟道电阻RDS会依次增大。Vi经R12和RDS分压后,输出的音量信号依次增大。当感到音量合适时,松开金属片T,由于555的4脚呈低电平,使555强制复位,振荡中止,使CD4017计数中止,并自锁,故音量保持在当前水平。