如今,PWM脉宽控制调速电路应用广泛。例如,我们常用的电动起子,就是用了PWM脉宽控制,把手指的按压转成不同的转速。往往在电动起子上,用到的是很简单、并且成本很低的电路来实现。PWM脉宽控制,除了可以用来调速,还可以用来控制电磁线圈的磁力大小、电阻加热的功率大小等。PWM脉宽控制的实现方法很多。这里我们‘收藏’一个经典、简单、低成本的电路。

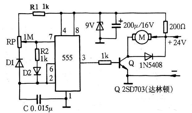
这个电路,用时基电路555产生振荡脉冲。振荡频率为:f=1/0.69·(RP+R1)·C。R1相对于RP仅为其千分之一,可以忽略不计。所以振荡频率可以简化为:f=1/0.69·RP·C,这个电路中振荡频率设定为200Hz左右,由于定时电容C的充放电路径不同,所以调整RP可以改变脉冲的占空比(即:PWM)。按图中原件参数,占空比可从1%~90%之间变化。555的第3引脚驱动功率管Q,可以达到驱动大功率负载的需要。
这个电路极为简单,用洞洞板可以轻松组装,感兴趣的同学可以自己搭建电路来试试。